Россия                      +7 (800) 707-11-74

Москва                     +7 (495) 120-11-74

Санкт-Петербург   +7 (812) 245-61-15

Я 5110-3574 УХЛ4 Т.р.23-32А 12,5; 15 кВт

Ящик управления Я 5110-3574 УХЛ4 Т.р.23-32А 12,5; 15 кВт
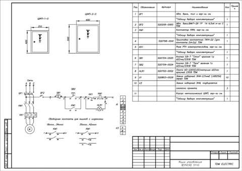
Ящик управления электродвигателем Я 5110-3574 УХЛ4 Т.р.23-32А 12,5; 15 кВт. Ящик управления Я5110 предназначен для местного управления одним асинхронным нереверсивным электродвигателем, работающим в продолжительном, кратковременном или повторно-кратковременном режимах. Ящик имеет местную индикацию состояния работы фидера и возможность для подключения дистанционной индикации состояния работы фидера. По заказу ящик Я5110 может быть оснащён местной индикацией сигнала аварии фидера и возможностью для подключения дистанционной индикации сигнала аварии фидера. Защита при работе электродвигателя осуществляется с помощью автоматического выключателя с электромагнитным и тепловым расцепителями и тепловым реле электромеханического или электронного типа. Автоматический выключатель и тепловое реле по заказу могут быть заменены на автомат защиты двигателя. Ящик управляется фазным напряжением. Ящик имеет стальную сварную конструкцию корпуса с дверью на петлях, фиксируемой замком, обеспечивающим степень защиты IР31. По заказу ящик может быть выполнен в пластиковом корпусе. Аппаратура устанавливается в ящике на специальной панели и на двери с внутренней стороны.
Характеристика Однофидерный нереверсивный
Максим.ток фидера, А 32
Комплектация TDM, либо аналоги
Тип изделия Ящик управления электродвигателем
Степень защиты IP31
Бренд ЭНЕРГИЯ
Быстрый заказ
Настоящим подтверждаю, что я ознакомлен и согласен с условиями оферты и политики конфиденциальности.
С помощью уведомлений о заказе можно не только получать актуальную информацию по заказу, но и иметь быстрый канал связи с магазином