Россия                      +7 (800) 707-11-74

Москва                     +7 (495) 120-11-74

Санкт-Петербург   +7 (812) 245-61-15

Я 5125-3874 УХЛ4 Т.р.48-65А 25-30 кВт

Ящик управления Я 5125-3874 УХЛ4 Т.р.48-65А 25-30 кВт
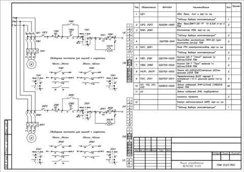
Ящик управления электродвигателем Я 5125-3874 УХЛ4 Т.р.48-65А 25-30 кВт. Ящик управления Я5125 предназначен для местного, дистанционного или автоматического управления двумя асинхронными нереверсивными электродвигателями, работающими в продолжительном, кратковременном или повторно-кратковременном режимах. Ящик имеет местную индикацию состояния работы каждого фидера и возможность для подключения дистанционного управления и дистанционной индикации состояния работы каждого фидера. По заказу ящик Я5125 может быть оснащён местной индикацией сигналов аварии фидеров и возможностью для подключения дистанционной индикации сигналов аварии фидеров. Защита каждого электродвигателя при работе ящика осуществляется с помощью отдельного автоматического выключателя с максимальным электромагнитным и тепловым расцепителями и тепловым реле электромеханического или электронного типа. Автоматический выключатель и тепловое реле по заказу могут быть заменены на автомат защиты двигателя. Ящик управляется фазным напряжением. Ящик имеет стальную сварную конструкцию корпуса с дверью на петлях, фиксируемой замком, обеспечивающим степень защиты IР31 или IP54. По заказу ящик может быть выполнен в пластиковом корпусе. Аппаратура устанавливается в ящике на специальной панели и на двери с внутренней стороны.
Характеристика Двухфидерный нереверсивный (с ДУ)
Максим.ток фидера, А 65
Комплектация TDM, либо аналоги
Тип изделия Ящик управления электродвигателем
Степень защиты IP31
Бренд ЭНЕРГИЯ
Быстрый заказ
Настоящим подтверждаю, что я ознакомлен и согласен с условиями оферты и политики конфиденциальности.
С помощью уведомлений о заказе можно не только получать актуальную информацию по заказу, но и иметь быстрый канал связи с магазином