Россия                      +7 (800) 707-11-74

Москва                     +7 (495) 120-11-74

Санкт-Петербург   +7 (812) 245-61-15

Я 5411-2674 УХЛ4 Т.р.2,5-4А 1,5 кВт

Ящик управления Я 5411-2674 УХЛ4 Т.р.2,5-4А 1,5 кВт
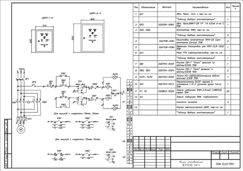
Ящик управления электродвигателем Я 5411-2674 УХЛ4 Т.р.2,5-4А 1,5 кВт. Ящик управления Я5411 предназначен для местного, дистанционного или автоматического управления одним асинхронным реверсивным электродвигателем, работающим в продолжительном, кратковременном или повторно-кратковременном режимах. Ящик имеет местную индикацию направления вращения электродвигателя и возможность для подключения аналогичной дистанционной индикации и дистанционного управления каждым фидером. По заказу ящик Я5411 может быть оснащён дополнительно местной индикацией сигнала аварии фидера и возможностью для подключения дистанционной индикации сигнала аварии фидера. Защита при работе электродвигателя осуществляется с помощью автоматического выключателя с максимальным электромагнитным и тепловым расцепителями и тепловым реле электромеханического или электронного типа. Автоматический выключатель и тепловое реле по заказу можгут быть заменены на автомат защиты двигателя. Ящик управляется фазным напряжением. Ящик имеет стальную сварную конструкцию корпуса с дверью на петлях, фиксируемой замком, обеспечивающим степень защиты IР31 или IP54. По заказу ящик может быть выполнен в пластиковом корпусе. Аппаратура устанавливается в ящике на
Характеристика Однофидерный реверсивный (с ДУ)
Максим.ток фидера, А 4
Комплектация TDM, либо аналоги
Тип изделия Ящик управления электродвигателем
Степень защиты IP31
Бренд ЭНЕРГИЯ
Быстрый заказ
Настоящим подтверждаю, что я ознакомлен и согласен с условиями оферты и политики конфиденциальности.
С помощью уведомлений о заказе можно не только получать актуальную информацию по заказу, но и иметь быстрый канал связи с магазином