Россия                      +7 (800) 707-11-74

Москва                     +7 (495) 120-11-74

Санкт-Петербург   +7 (812) 245-61-15

Я 5441-2974 УХЛ4 Т.р.5,5-8А 3 кВт

Ящик управления Я 5441-2974 УХЛ4 Т.р.5,5-8А 3 кВт
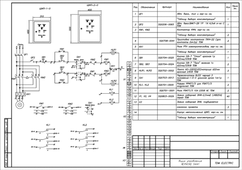
Ящик управления электродвигателем Я 5441-2974 УХЛ4 Т.р.5,5-8А 3 кВт. Ящик управления Я5441 предназначен для местного, дистанционного или автоматического управления одним асинхронным реверсивным электродвигателем, работающим в продолжительном, кратковременном или повторно-кратковременном режимах. Ящик имеет местную индикацию направления вращения электродвигателя и возможность для подключения аналогичной дистанционной индикации и дистанционного управления работой фидера. Для подключения устройств, требующих наличия свободных дополнительных контактов ящик Я5441 оснащён двумя дополнительными промежуточными реле. По заказу ящик Я5441 может быть оснащён дополнительно местной индикацией сигнала аварии фидера и возможностью для подключения подобной дистанционной индикации. Защита при работе электродвигателя осуществляется с помощью автоматического выключателя с максимальным электромагнитным и тепловым расцепителями и тепловым реле электромеханического или электронного типа. Автоматический выключатель и тепловое реле по заказу можгут быть заменены на автомат защиты двигателя. Ящик управляется фазным напряжением. Ящик имеет стальную сварную конструкцию корпуса с дверью на петлях, фиксируемой замком, обеспечивающим степень защиты IР31 или IP54. По заказу ящик может быть выполнен в пластиковом корпусе. Аппаратура устанавливается в ящике на специальной панели и на двери с внутренней стороны.
Характеристика Однофидерный реверсивный
Максим.ток фидера, А 8
Комплектация TDM, либо аналоги
Тип изделия Ящик управления электродвигателем
Степень защиты IP31
Бренд ЭНЕРГИЯ
Быстрый заказ
Настоящим подтверждаю, что я ознакомлен и согласен с условиями оферты и политики конфиденциальности.
С помощью уведомлений о заказе можно не только получать актуальную информацию по заказу, но и иметь быстрый канал связи с магазином