Россия +7 (800) 707-11-74
Москва +7 (495) 120-11-74
Санкт-Петербург +7 (812) 245-61-15
Россия +7 (800) 707-11-74
Москва +7 (495) 120-11-74
Санкт-Петербург +7 (812) 245-61-15
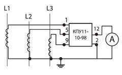
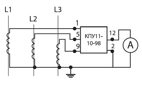
КПУ11-10/98 (A: 0-L1-L2-L3) TDM SQ0715-0081
КПУ XX-XX/XXXX
1 2 3
Переключатель кулачковый универсальный
1. Тип переключателя:
11 – Встраиваемое исполнение с передним креплением
38 – В защитном боксе IP54
2. Номинальный ток 10, 16, 25, 40, 63 А
3. Схема коммутации (программа переключения).





| Тип | (4 пол., для вольтметра) |
| Исполнение | Встраиваемое |
| Номинальный ток, А | 10 |
| Минимальная отгрузка, ед. | 1 |
Похожие товары