Россия +7 (800) 707-11-74
Москва +7 (495) 120-11-74
Санкт-Петербург +7 (812) 245-61-15
Россия +7 (800) 707-11-74
Москва +7 (495) 120-11-74
Санкт-Петербург +7 (812) 245-61-15
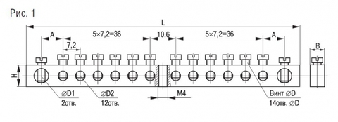
Шина "N" нулевая 8х12мм 14/1 (14групп/крепеж по центру) TDM SQ0801-0006
| Тип 1 | Тип 2 |


| Минимальная отгрузка, ед. | 10 |
Похожие товары

